○上三川町農業集落排水事業公共汚水ます等設置要綱
平成23年4月1日
告示第15号
(趣旨)
第1条 この要綱は、農業集落排水に汚水を排出するために取り付ける公共汚水ます及び取付管(以下「公共汚水ます等」という。)の設置に関し必要な事項を定めるものとする。
(設置個数)
第2条 公共汚水ます等の設置個数は、原則として1宅地1個とする。
(設置位置)
第3条 公共汚水ます等を設置する位置は、公道に接する土地で、原則として道路境界からますの中心まで1m以内とする。
(設置申請等)
第4条 公共汚水ます等を設置しようとする者は、公共汚水ます等設置申請書(別記様式第1号)により町長に申請するものとする。
(申請者による増設等)
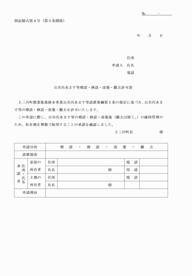
第5条 公共汚水ます等を増設し、移設し、改築し、又は撤去しようとする者は、公共汚水ます等増設・移設・改築・撤去申請書(別記様式第3号)により町長に申請するものとする。
3 公共汚水ます等を増設し、移設し、改築し、又は撤去するときの費用は、申請者の負担とする。
4 公共汚水ます等の撤去後に、公共汚水ます等を再設置する必要が生じた場合の費用は、申請者の負担とする。
5 公共汚水ます等を撤去する場合は、原則として本管接続部での閉塞を行うものとする。ただし、施工上困難な場合には、町との協議の上、撤去方法を決定する。
(維持管理)
第6条 公共汚水ます等の維持管理は、町が行うものとする。この場合において、公共汚水ます等の使用者は、次に掲げる事項について承諾しなければならない。
(1) 公共汚水ます等は、町に帰属すること。
(2) 公共汚水ます等の維持管理のため、土地への立入りを認めること。
(3) 土地又は家屋の所有権が異動する場合は、前号の承諾内容を継承すること。
(補足)
第7条 この要綱に定めるもののほか、必要な事項については、町長が別に定める。
附則
この要綱は、平成23年4月1日から施行する。
附則(平成28年告示第115号)
この要綱は、平成28年12月21日から施行する。
附則(平成31年告示第51号)
この要綱は、平成31年4月1日から施行する。
附則(令和3年告示第29号)
この要綱は、令和3年4月1日から施行する。







